在普通車床上加工套類零件需要鉆孔時 通常是將鉆頭直接套在尾座套筒上 或附加變徑套或采用鉆夾頭等裝夾進行鉆孔 擴孔或鉸孔 工人的勞動強度比較大 生產效率比較低 隨著數控技術的發展 如今數控車床被廣泛應用 我國在 20 世紀七八十年代開始大力推廣 尤其是適合我國國情的經濟型數控系統 開始在機械制造等多個領域使用 但多數經濟型數控車床 其尾座不能自動控制運動 鉆孔 擴孔或鉸孔等操作跟普通車床一樣 如CJK6132A 型數控車床 這樣 在中 小批量生產套類零件時 其生產效率相對低下 工人的勞動強度大 加工質量難以保證 但通過自行設計一種專用夾具 此類問題就能迎刃而解
夾具設計的構思
在加工過程中 數控車床刀架的動作是根據零件的輪廓軌跡和加工工藝要求 通過編程由數控系統進行自動控制的 那么 只要能設計一種專用夾具 讓鉆頭或鉸刀等刀具安裝在車床的刀架上 問題就迎刃而解了
擬定夾具的結構方案
刀具 鉆頭 的定位方案 定位方法和定位元件 為了便于專業化生產 鉆頭的結構 尺寸已標準化和系列化 為方便安裝使用 通常直徑小于 16mm 的鉆頭做成直柄 直徑大于 16mm 的鉆頭做成錐柄 這里所介紹的是直柄鉆頭的結構特征 應當選擇的是外圓柱表面為定位基準 采用定心夾緊裝置為定位元件 鉆頭如圖 1 所示
刀具 鉆頭 的夾緊方案 夾緊方法和夾緊裝置 根據鉆頭在加工中的使用特點 鉆頭的軸線必須與被加工孔的旋轉軸線重合 根據數控機床對夾具要求 即應具有可靠的夾緊力 具有較高的定位精度 具有較強的剛性 結構盡量簡單 以便于裝卸 鉆頭 和夾具在機床上的安裝 可采用已標準化的彈簧夾筒 即采用普通銑床上的銑刀彈簧夾筒 這樣可以滿足設計夾具 刀夾 要求 適應不同尺寸規格的直柄鉆頭 該裝置是利用彈簧夾筒的彈性變形將鉆頭定心并夾緊的 這只是作為過渡裝置用 彈簧夾筒如圖 2 所示
確定彈簧夾筒鉆孔夾具的結構 彈簧夾筒是該夾具中的主要元件 根據其構造特點 選擇彈簧夾筒 7 24 的外圓錐表面為定位基準 夾具采用 7 24 的內圓錐表面作為定位元件 工作原理如圖 3 所示 當轉動螺釘 1 時 使得彈簧夾筒 3 向右移動在夾具體 2 內圓錐表面的作用力下 彈簧夾筒的錐體部分收縮 最終使得鉆頭定心夾緊 彈簧夾筒鉆孔夾具在使用過程中


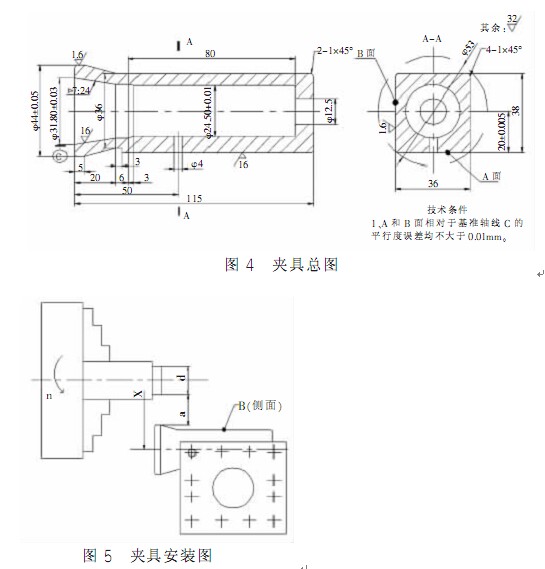
內圓錐表面是實現鉆頭定心和夾緊的主要工作表面 要求具有良好的耐磨性能 一 般 應 淬 硬 50 ~55HRC 表 面 粗 糙 度Ra1.6 m 在彈簧夾筒刀柄槽滑過防轉銷 5 時 為了避免彈簧夾筒在使用過程中 圓錐小端與夾具內圓錐孔小端發生不正常的干涉 可在內圓錐孔與內圓柱孔之間加段過渡孔 經濟型數控車床的刀架采用的是一種簡單的四工位自動換刀設備 只能安裝普通方形刀把 不能安裝回轉體刀柄的刀具 所以該夾具外形應做成方形 并按車床的中心高保證內圓錐孔軸線到夾具底面基準表面 A 的高度為 20 0.005mm 考慮夾具能夠安裝在車床刀架上 結合刀架的實際結構 將刀夾設計為寬 36mm 高38mm 夾具 刀具裝配如圖 3 所示
刀具 鉆頭 的對刀和夾具的安裝方案 鉆頭在垂直方向上的中心高 由夾具的本身結構尺寸保證 鉆頭在水平方向上的同心度 由夾具 44 0.005mm 的外圓尺寸與間接的工件外圓尺寸 d 值及 a 值 通過對刀 綜合得到數控車床 X 方向的對刀偏差值來確定 如圖 4 所示 為了保證鉆頭軸線在使用時與工件軸線同軸 除上所述外 還需保證夾具安裝時 安裝基準面B與車床軸線平行 用百分表校正
夾具總圖設計
根據夾具所確定的整體結構方案 正式繪制夾具總圖 如圖 4 所示
夾具精度分析
該夾具在車床上加工孔時 對孔的精度影響較大的是同軸度孔的尺寸精度由刀具本身精度決定 對孔的同軸度分析計算 1基準不符誤差 B= D=0 2 夾具的安裝誤差 A 由于夾具定位面 A 與內圓錐孔軸線間的尺寸誤差 內圓錐孔軸線與主軸

軸線的平行度誤差等 會引起被加工孔的軸線同軸度超差 即 A=0.02mm 3 加工方法有關的誤差 對刀調整誤差 鉆頭的跳動 滑板的間隙等因素所引起的加工誤差 約為 0.02mm 以上三項可 能 造 成 的 最 大 誤 差 為0.04mm夾具的使用說明本夾具適用于無尾座運動控制功能的經濟型數控車床 如 CJK6132A 型 適用于孔徑小于 16mm 的鉆孔 擴孔和鉸孔等場合 并且對孔的同軸度精度要求大于等于 0.04mm 采用不同直徑的鉆頭鉆孔 擴孔等操作 要相應地選擇不同規格的彈簧夾筒 本夾具類似普通車刀一樣安裝在車床刀架上 安裝要時保證中心高 注意擦凈各定位面 以及用百分表校正鉆頭軸線與車床主軸軸線的平行度通過檢驗 B 面的平行度來控制 對刀時 可暫時不裝夾鉆具首先用外圓車刀車一刀工件外圓 通過測量出夾具體 440.005mm 外圓至工件外圓的距離 a 值 求得 X=d+2 22+a 各參數如圖 5 所示 再將 X 值輸入到相應的刀偏號中 再裝上鉆具注意擦凈內圓錐孔表面 移動刀架使鉆頭至工件端面中心處輕碰工件端面 在相應的刀偏號中輸入 Z=0 夾具安裝時 各螺釘壓緊要適中 既要避免夾具變形 又要保證加工過程不能有松動現象 夾具的安裝如圖 所示
本文由 伯特利數控文章 整理發表,文章來自網絡僅參考學習,本站不承擔任何法律責任。
2020-10
1 問題的提出數控加工夾具是數控CNC機械制造加工過程中用來 固定加工對象,使之占有正確的位置,以滿足加工工藝條件、迅速、方便、安全地安裝工件的裝置。夾具通常由定位元件、夾緊裝置 、對刀引導元件、分度裝置、連接元件及夾具體等組成[1]。圖1所示零件是應用于系列礦用防爆電器產品上的… [了解更多]
2020-10
1 雕銑機的特點數控雕銑機集雕刻和銑削于一身,相對于雕刻機,增大了其機床本身承載能力及提高主軸伺服電機功率,主軸轉速更高,精度也更高。雕銑機特點:高轉速,小吃刀量, 高精度加工,且可加工硬度能在洛氏硬度60 以上的材料,加工一次到位。雕刻意味著精細,應用小刀具認真刻啄才能完成。數… [了解更多]
2019-01
一、夾具的要求1.為保持工件在本工序中所有需要完成的待加工面充分暴露在外,夾具要做得盡可能開敞,因此夾緊機構元件與加工面之間應保持一定的安全距離,同時要求夾緊機構元件能低則低,以防止夾具與加工中心主軸套筒或刀套、刃具在加工過程中發生碰撞。 2.為保持零件安裝方位與機床坐標系及編程… [了解更多]
2018-11
BPW(梅州)車軸有限公司(以下稱為該司)是一家專注于半掛車車軸生產的企業,產品涵括各種規格的鼓式車軸、盤式車軸等。其中,鼓式車軸是該司的核心產品,也是中國半掛車市場需求最多的一款產品。由于車軸產品需要,該司自行生產花鍵式的制動凸輪軸。受該司現有的凸輪軸花鍵銑床導軌的限制,無法加… [了解更多]
2018-07
FANUC 0 系統 序號 故障征兆 故障原因 解決辦法 1 當選完刀號后,X、Y軸移動的同時,機床也進行換刀的動作,但是,X、Y軸移動的距離,與X、Y軸的移動指令不相吻合,并且每次的實際移動距離與移動指令之差還不一樣 沒有任何報警,應屬于參數問題。 1.修改參數0009號TMF… [了解更多]